Вход Регистрация
СпецРусМетиз

Объявления компании СпецРусМетиз

Показаны 1—13 из ~ 13 объявлений от поставщиков
Металлические крепежные изделия, метизы
  • Цена: 1 ₽
  • В наличии
  • 9 апр
Изготавливаем под заказ гайку с контрящим винтом в соответствии с ГОСТ 12460-67. Можем предложить из наличия: - Гайка 7003-0131 (М12х1,25) ГОСТ 12460-67 - 100 шт- Гайка 7003-0132 (М14х1,5) ГОСТ 12460-67...
1 1 ₽ / всего
Металлические крепежные изделия, метизы
  • Цена: 1 ₽
  • 14 янв
Предлагаем приобрести из наличия шайбу сферическую ГОСТ 13438-68 изготовленную строго по ГОСТ, так же можем изготавливать данную шайбу по DIN 6319 и К0729. По наличию:- Шайба 7019-0391 (М6) ГОСТ 13438-68...
1 1 ₽ / всего
Металлические крепежные изделия, метизы
  • Цена: 1 ₽
  • 22 июл
Изготовим для Вас под заказ шайбы по ГОСТ 9649-78 и ОСТ 107.758491.002-91 из различных сталей. Производим шайбы под различные диаметры пальцев от 3 мм. Также у нас вы можете заказать шайбы для пальцев...
1 1 ₽ / всего
Металлические крепежные изделия, метизы
  • Цена: 1 ₽
  • 3 июл
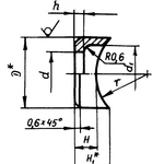
Предлагаем приобрести из наличия или под заказ шайбу коническую ГОСТ 13438-68, так же можем изготавливать данную шайбу по DIN 6319 и К0729.Из наличию:- Шайба 7019-0411 (М6) ГОСТ 13439-68 - 300 шт- Шайба...
1 1 ₽ / всего
Металлические крепежные изделия, метизы
  • Цена: 1 ₽
  • В наличии
  • 3 июл
Изготавливаем под заказ шайбу ГОСТ 14734-69 предназначенную для станочных приспособлений. На нашем предприятии налажено производство концевых шайб всех обозначений и исполнений: Шайба 7019-0621 ГОСТ 14374-69,...
1 1 ₽ / всего
Металлические крепежные изделия, метизы
  • Цена: 1 ₽
  • 3 июл
Изготавливаем пружинные шайбы (гровер) для болтов, винтов и шпилек по ГОСТ 6402-70, ОСТ 1 11532-74, ОСТ 1 11533-74, ОСТ 4Г 0.894.202. Исполнение 1. Можем делать все типоразмеры (Л, Н, Т, ОТ) из разных...
1 1 ₽ / всего
Металлические крепежные изделия, метизы
  • Цена: 1 ₽
  • 3 июл
Изготовим по вашему запросу крепеж для соединений трубопроводов:Накидные гайки: ГОСТ 13958-74, ГОСТ 13957-74, ГОСТ 16046-70, ГОСТ 16047-70, ГОСТ 23353-78, ГОСТ 28941.26-91, ОСТ 1 12928-77, ОСТ 1 12929-77,...
1 1 ₽ / всего
Металлические крепежные изделия, метизы
  • Цена: 1 ₽
  • 3 июл
Изготовим по вашему запросу, гайки круглые с радиально расположенными отверстиями класса точности А по ГОСТ 8381-73, ГОСТ 13040-67, ГОСТ 15511-70. Имеем возможность изготовления от М2 до М20 диаметра (по...
1 1 ₽ / всего
Металлические крепежные изделия, метизы
  • Цена: 1 ₽
  • 3 июл
Производим гайку с буртиком по:ГОСТ 8918-69 (Гайка 7003-0301 ГОСТ 8918-69, Гайка 7003-0302 ГОСТ 8918-69, Гайка 7003-0303 ГОСТ 8918-69, Гайка 7003-0304 ГОСТ 8918-69, Гайка 7003-0305 ГОСТ 8918-69, Гайка...
1 1 ₽ / всего
Металлические крепежные изделия, метизы
  • Цена: 1 ₽
  • 3 июл
Производство колпачковой, колесной гайки класса точности А по ГОСТ 11860-85 и ОСТ 4Г 0.893.207. Рабочие диаметром резьбы от М3-М24, а так же по вашему эскизу, чертежу, ТУ. Гайка изготавливается в двух...
1 1 ₽ / всего
Металлические крепежные изделия, метизы
  • Цена: 1 ₽
  • 9 апр
Изготавливаем пробки по ГОСТ 12202-66, а именно:Пробка 7009-0221 ГОСТ 12202-66, Пробка 7009-0223 ГОСТ 12202-66, Пробка 7009-0225 ГОСТ 12202-66, Пробка 7009-0226 ГОСТ 12202-66, Пробка 7009-0227 ГОСТ 12202-66,...
1 1 ₽ / всего
Металлургия, прочее
  • Цена: 1 ₽
  • 3 июл
Изготавливаем под заказ призонные(крановые) болты с любым размером резьбы, посадки, с контровочными отверстиями и без, в основном делаем ГОСТ 7817-80, но можем так же под заказ сделать DIN 610, DIN 609,...
1 1 ₽ / всего
Крепежные изделия
  • Цена: 1 ₽
  • В наличии
  • 3 июл
Изготавливаем грузовые винты по ГОСТ 8922-69(цапфы, ручки), предназначенные для подъёма, опускания и удержания на весу различных приспособлений. Сталь — 20. Покрытие — Хим.Окс.прм (05).В наличии:Винт 7095-0021...
М12 1 ₽ / шт